Dies ist eine alte Version des Dokuments!
Aufgabe 7.2.6: temperaturabhängiger Widerstand einer Wicklung (Klausuraufgabe, ca 11% einer 60minütigen Klausur, WS2020)
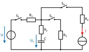
Gegeben ist die nebenstehende Schaltung mit
- $U = 10 V$
- $I = 4 mA$
- $R_1 = 100 \Omega, R_2 = 80 \Omega, R3 = 50 \Omega, R4 = 10 \Omega$
- $C = 40 nF$
Zu Beginn ist der Kondensator entladen, alle Schalter sind geöffnet. Der Schalter S1 wird zum Zeitpunkt t = 0 s geschlossen.
1. Bestimmen Sie die Zeitkonstante $\tau$ für diesen Ladevorgang.
- Welche Ersatzschaltung ergibt sich durch die Schalterstellung?
- Durch welche Größen lässt sich $\tau$ bestimmen?
- Wodurch fließt der Ladestrom?
2. Welche Spannung stellt sich am Kondensator $C$ zum Zeitpunkt $t=10 µs$ ein?
3. Wie hoch ist die Energie im Kondensator, wenn dieser vollständig geladen ist?
4. Bestimmen Sie die neue Zeitkonstante, die wirksam ist, wenn nach dem vollständigen Laden der Schalter S1 geöffnet und gleichzeitig S2 geschlossen wird.
5. Nachdem der Kondensator vollständig entladen wurde, werden alle Schalter wieder geöffnet.
Der Schalter S4 wird für $t = 1μs$ geschlossen.
Welche Spannung stellt sich an C ein?
- Durch die Stromquelle ergibt sich ein kontinuierlicher Fluss an Ladungen in den Kondensator.
- Die Widerstände auf dem Weg sind für den Strom in den Kondensator irrelevant. Sie erhöhen bei einer idealen Stromquelle nur die notwendige Spannung, um den Strom zu treiben.
