2 Dioden und Transistoren

Einführendes Beispiel

Microcontroller verfügen über viele digitale Eingänge, die Signale zwischen $0...5V$ als Digitalsignal auswerten. Das Eingangssignal kann aber bei der Übertragung durch kleine eingekoppelte Pulse gestört werden. Durch diese Störung kann das Signal den erlaubten Spannungsbereich von ca. $-0,5...5,5V$ verlassen und damit die logische Einheit zerstören.

Um eine solche Zerstörung zu verhindern, ist eine Überspannungsschutzschaltung aus Dioden verbaut (siehe z.B. ATmega 328). Im Falle einer Über-/Unterspannung wird dort eine der Dioden leitfähig und senkt durch den resultierenden Strom die Eingangsspannung. In der Simulation ist zu sehen, dass die eingangsseitigen Störungen durch die Schutzschaltung auf ein akzeptables, geringes Maß reduziert werden kann.

In diesem Kapitel soll erklärt werden warum eine Diode ab einer gewissen Spannung leitfähig wird, was bei der Nutzung von Dioden beachtet werden muss und welche verschiedenen Diodenarten es gibt.

Für die Absicherung von digitalen Schnittstellen, die das Gerätegehäuse verlassen (z.B. USB), werden zusätzlich separate ICs verwendet, die diese Absicherung der datenverarbeitenden Chips unterstützen. De diese Schutzdioden-ICs die kurzzeitigen Spannungen unterdrücken werden sie Transient Voltage Suppressor oder TVS Dioden genannt. Typische TVS-ICs sind NUP2301 oder für USB NUP4201.

weiterführende Unterlagen

Ziele

Nach dieser Lektion sollten Sie:

  1. die Elektronenbeweglichkeit in Metallen, Halbleitern und Isolatoren unterscheiden können,
  2. wissen was die Eigenleitung eines Halbleiters ist,
  3. Elektronen- und Löcherleitung unterscheiden und zur p- und n-Dotierung zuordnen können,
  4. wissen was eine Dotierung ist und für was diese verwendet wird.
  5. Unterschied zwischen realer und idealer Diode kennen,
  6. den Verlauf in Durchlass- und Sperrrichtung darstellen können,
  7. aus verschiedenen Diodenarten die korrekte auswählen können,
  8. physikalische Größen wie Sperr-/​Durchlassstrom,​ Sperr-/​Durchlassspannung,​ Durchbruchspannung erklären können. ​

Video-Transkript (Alternativ zur Erklärung im Video)

In Metallen sind die Elektronen frei beweglich. Legt man eine äußere Spannung an, folgen sie dem Potentialunterschied zur positiven Elektrode: Es fließt Strom. Bei Isolatoren hingegen sind die Elektronen fest an die Atomrümpfe gebunden. Wenn eine Spannung angelegt wird, können sie allenfalls polarisiert werden. Es fließt kein Strom.

Ein Halbleiter ist ein Material, dessen Leitfähigkeit zwischen der von Metallen und der von Isolatoren liegt. Das technologisch wichtigste Beispiel für einen Halbleiter ist das Silizium. Im Siliziumkristall sind die Elektronen nicht wie in einem Metall frei beweglich, da sie an die Atomrümpfe gebunden sind. Doch reicht eine geringe Zufuhr von Energie (z.B. thermische Energie) aus, um die Elektronen von den Atomen zu lösen. Dann fließt bei Anlegen einer Spannung ein elektrischer Strom. Dies nennt man die Eigenleitung (intrinsische Leitung) des Halbleiters. Wenn die Elektronen sich im Halbleiter fortbewegen, spricht man von Elektronenleitung.

An dem Siliziumatom, von dem das Elektron entfernt wurde, entsteht ein Loch mit positiver elektrischer Ladung. Man nennt es auch ein Defektelektron. Auch diese Löcher können sich durch das Kristallgitter bewegen und damit einen elektrischen Strom erzeugen. Man bezeichnet dies als Löcherleitung. Die Löcherleitung kann man sich so vorstellen, dass ein Loch durch ein Elektron des Nachbaratoms aufgefüllt wird. Dadurch entsteht aber in dem Nachbaratom ein Loch. Effektiv ist so ein Loch von einem Atom zum anderen gewandert und führt so eine positive elektrische Ladung mit sich.

p-Dotierung mit AluminiumFig. 1: p-Dotierung mit Aluminium n-Dotierung mit PhosphorFig. 2: n-Dotierung mit Phosphor

Die meisten Halbleiter sind Elemente der vierten Hauptgruppe, besitzen also vier Elektronen in der äußeren Schale. Dies gilt auch für das Element Silizium. Im Siliziumgitter ist daher jedes Siliziumatom mit je vier Nachbaratomen über eine Bindung verbunden. Werden nun gezielt Fremdatome diesem Halbleitermaterial hinzugefügt, kann die elektrische Leitfähigkeit modifiziert werden. Man nennt dies Dotierung.

Atome der fünften Hauptgruppe (z.B. Phosphor) besitzen fünf Elektronen in der äußeren Schale. Fügt man diese dem Silizium-Kristallgitter hinzu, ist an diesen Stellen ein Elektron überzählig, da es für die vier Bindungen im Kristallgitter nicht benötigt wird. Dieses Elektron ist wesentlich beweglicher als die Elektronen, die zur Bindung beitragen und erhöht daher sehr stark die Leitfähigkeit durch Elektronenleitung. Dieses Hinzufügen freier negativer Ladungsträger nennt man n-Dotierung (siehe figure 2).

Andererseits kann durch das Hinzufügen von Atomen der dritten Hauptgruppe (z.B. Aluminium) an diesen Stellen ein sogenanntes Loch erzeugt werden, da diese Atome nur drei Elektronen in der äußeren Schale besitzen. Dies führt zur Erhöhung der Leitfähigkeit durch Löcherleitung. Dieses Hinzufügen freier positiver Ladungsträger nennt man p-Dotierung (siehe figure 1).

Fig. 5: ohrsches Atommodell und Bändermodellelektronische_schaltungstechnik:bohrschesatommodell.png

Das oben dargestellte Modell der Leitfähigkeit in Halbleitern soll nun noch etwas tiefer betrachtet werden. Im Bohrschen Atommodell (figure 5, 1) wird davon ausgegangen, dass die Elektronen im Atom sich auf bestimmte Kreisbahnen um den Kern bewegen - ähnlich der Planeten im Planetensystem. Dabei sind stärker gebundene Elektronen auf nähere Bahnen und schwächere auf Bahnen weiter außen. Auch dies verhält sich ähnlich zu Trabanten im Gravitationsfeld, die, wenn sie weiter vom Zentrum entfernt sind, schwächer angezogen werden. Bohr postulierte 3 Axiome, damit Modell und Messergebnisse plausibel zusammenpassen:

  1. Die Kreisbahnen sind diskret. Es gibt nur bestimmte Bahnen auf denen sich die Elektronen bewegen dürfen
    (und damit diskrete Energien für die Elektronen)
  2. Jeder Sprung eines Elektrons von einer auf eine andere Bahn geht mit einer Energieaufnahme oder -abgabe einher.
  3. Die genauen Energiebeträge der Bahnen ergeben sich durch die Quantenphysik.

Leider erzeugt diese Darstellung etliche physikalische Widersprüche - das Modell ist aber für die Erklärung der Leitfähigkeit in Halbleitern ausreichend1). Das Bohrsche Atommodell und die Oktettregel (Tendenz der höheren Bahnen mit 8 Elektronen gesättigt zu sein) genügen um einen tieferen Einblick in die Halbleiterphysik zu erlangen.

figure 5 1a zeigt die Elektronen auf den diskreten Kreisbahnen, d.h. in einem $x$-$y$-Koordinatensystem. Stärker gebundene Elektronen sind in schwarz auf inneren Bahnen dargestellt; auf der äußersten nicht-vollständig besetzten, grünen Bahn sind die Elektronen in blau eingezeichnet. Neben den besetzten Bahnen sind auch weitere, äußere, nicht-besetzte Bahnen vorhanden (blau in figure 5 1a).
Die gleichen Elektronen können auch in ein $x$-$W$-Koordinatensystem einsortiert werden (siehe figure 5 1b). Dabei ist $W$ die Bindungsenergie, bzw. Arbeit die frei wird, wenn ein ungebundenes Elektron in die betrachtete Bahn springt. Der Ursprung der Bindungsenergie (also die Bindungsenergie eines ungebundenes Elektrons: $W=0$) ist oberhalb der unbesetzten Niveaus. Der Betrag der Bindungsenergie des vollständig besetzten Niveaus ist also wie erwartet am höchsten. Durch die diskreten Bahnen ergeben sich auch auf der Energie-Achse diskrete Energieniveaus.

Betrachtet man statt eines einzelnen Atoms einen Ausschnitt aus einem Festkörper, so ändert sich die Elektronenkonfiguration. In figure 5 2a ist die Situation wieder im $x$-$y$-Koordinatensystem dargestellt. Die inneren Elektronen und der Kern sind hier nun auf einen einzelnen, gelben Kreis mit den resultierten Ladungen reduziert. Die Elektronen aus den (im Beispielatom) teilbesetzten Niveaus erfüllen nun die Oktettregel.
Je nach Element ergeben sich aber hier unterschiedliche Eigenschaften der Elektronen. In Metallen sind die Elektronen frei beweglich - also eine gute Leitfähigkeit messbar, in Halbleitern aber zunächst nicht. Diese Aussage lässt sich nicht durch das Bohrsche Atommodell, aber durch das Bändermodell und etwas Quantenphysik sehr gut erklären. Wie bereits für das Atom werden nun die Elektronen des Festkörpers in ein $x$-$W$-Koordinatensystem eingetragen. Hier sind nun viele Elektronen aus gleichen atomaren Niveaus nahe beieinander. Die Gesetze der Quantenphysik verbieten, dass Elektronen am gleichen Ort exakt das gleiche Energieniveau besetzen. Daraus ergibt sich eine Verbreiterung der diskreten Niveaus zu Energiebändern (figure 5 2b). Im Beispiel ist ein Halbleiter gezeichnet. Im Halbleiter ist das energetisch höchst-gelegene Band vollständig besetzt. Das energetisch höchst-gelegene und besetzte Band wird Valenzband, das nächsthöhere nicht-besetzte (oder nicht-vollständig besetzte) Band wird Leitungsband genannt. Der energetische Abstand zwischen Leitungs- und Valenzband wird Bandlücke genannt. Das Leitungsband des Halbleiters entspricht gerade den in der $x$-$y$-Koordinatensystem stark gebundenen Elektronen. Es sind also im Halbleiters zunächst keine bewegliche Elektronen vorhanden (das Leitungsband ist unbesetzt, das Valenzband ist vollständig besetzt). Die Bandlücke bei Halbleitern liegt in etwa im Bereich von $0,1 ... 4eV$ 2)
Elektronen können mit Zuführung von Energie aus den Bindungen gelöst werden. Die benötigte Energie kann ein Elektron auf zwei Arten erhalten: Entweder durch eine Anregung des elektromagnetischen Feldes, also einem Lichtquant, oder durch eine Anregung des elastischen Feldes, also Gitterschwingungen des Kristalls. Lichtquanten werden auch Photonen, quantisierte Gitterschwingungen auch Phonon genannt. Im figure 5 2a oben links wird ein Photon von einem Elektron absorbiert und damit aus der Bindung gerissen. Das Elektron nimmt die Energie des Photons auf. Es wird angeregt und um diesen Betrag auf der $W$-Achse angehoben. Daraus ergibt sich auch, dass nur Energiequanten absorbiert werden können, die ein Anheben auf ein vorhandenes und freies Niveau ermöglichen. Durch die Energieaufnahme ergibt sich im Leitungsband ein im Kristall bewegliches Elektron. Zudem hinterlässt das Elektron im Valenzband ein positiv-geladenes Loch. Diesen Prozess nennt man Generation von Elektronen-Loch Paaren. Zur Leitfähigkeit tragen im undotierten Halbleiter sowohl Elektronen- als auch Löcherleitung bei. Der umgekehrte Prozess - die Rekombination von Elektronen mit Löchern, findet in Silizium nach einigen Dutzend Mikrosekunden, bzw. einigen Dutzend Mikrometern statt. Dabei wird der Energiebetrag der Bandlücke wieder abgegeben.

Bändermodell und DotierungFig. 6: Bändermodell und Dotierung

Da das Kristallgitter bei Raumtemperatur bereits thermische Energie enthält (die Atomrümpfe bewegen sich), sind auch Phononen im Kristall vorhanden. Die Phononen haben eine breite, energetische Verteilung. Bei Raumtemperaturen liegt die durchschnittliche Energie eines Phonons bei $k_B\cdot T = 26 meV$ ($k_B$ ist die Boltzmann-Konstante). Bei Silizium haben etwa 0,000 000 000 01 % (etwa jedes $10^{13}$te) der Phononen hinreichend viel Energie, um ein Elektron vom Valenzband zum Leitungsband zu heben. Dies reicht aber aus, um bei Raumtemperatur und einem Volumen von $1 cm^3$ (etwa $5\cdot 10^{22}$ Atome) reinem Silizium etwa 10 Milliarden Ladungsträger ($10^{10}$) bereitzustellen. Diese Ladungsträger ermöglichen die oben beschriebene Eigenleitung.

Im vorherigen Unterkapitel wurde auch eine weitere Möglichkeit beschrieben, wie die Anzahl der Ladungsträger erhöht werden kann: die Dotierung mit Fremdatomen. Diese setzt voraus, dass das verwendete Halbleitermaterial sehr rein und kristallin gewachsen ist. Verunreinigungen und kristalline Störstellen können ebenso leitfähige Ladungsträger erzeugen. Das Halbleitermaterial sollte weniger als einen Defekt pro $10^{10}$ Atome haben (entspricht etwa einem Menschen auf die Menschheit). In diesem Fall würde darin die Eigenleitung überwiegen. Zur Dotierung wird ein Fremdatom auf $10^5...10^{10}$ Halbleiteratome dazu gegeben. Im Bändermodell ergibt eine n-Dotierung zusätzliche Elektronen im Leitungsband und zusätzliche positiv geladene, feststehende Rekombinationszentren durch die feststehenden, positiven Atomrümpfe, sogenannte (Elektronen-)Donatoren (figure 6: rote Markierung bei n-Dotierung in b,c,d). Eine p-Dotierung erzeugt zusätzliche Löcher im Valenzband und feststehende negativ geladene Rekombinationszentren, sogenannte (Elektronen-)Akzeptoren.

Schaltzeichen einer DiodeFig. 7: Schaltzeichen einer Diode, mit den Bezeichnungen der Dotierung und Elektroden

Video-Transkript

Eine Diode ist ein Halbleiterbauelement, das Strom nur in eine Richtung durchlässt. Es kann also als Ventil für den Strom angesehen werden. Das Schaltzeichen ist in figure 7 abgebildet.

Die Pfeilspitze zeigt dabei die Richtung an, in der die Diode Strom passieren lässt, wobei hier die technische Stromrichtung, also die Bewegung positiver Ladungsträger, gemeint ist. Dies bedeutet, dass die Diode den Strom leitet, wenn links der Pluspol und rechts der Minuspol einer Gleichspannungsquelle angelegt werden (“Strich” der Diode ist am Minuspol angeschlossen). Wenn man die Diode anders gepolt anschließt, leitet sie den Strom nicht. Leitet die Diode den Strom, ist sie in Durchlassrichtung geschaltet, leitet sie ihn nicht, ist sie in Sperrrichtung geschaltet.

Für das Schaltzeichen gibt es folgende Eselsbrücken: Von der Seite der Kathode betrachtet, ähnelt das Schaltzeichen einem “K”. Von der Seite der Anode ähnelt das Schaltzeichen einem liegenden “A”. Eselsbrücke für die Sortierung: Kathode - Negativ - Anode - Positiv.

Im der unten abgebildeten Simulation werden drei Beispiele für Dioden in Schaltungen betrachtet.
Im ersten Beispiel links ist die Spannungsquelle so gepolt, dass die Diode in Durchlassrichtung geschaltet ist. Die Glühlampe leuchtet.
Im ersten Beispiel rechts sperrt die Diode. Die Glühlampe bleibt dunkel.
Im zweiten Beispiel (mitte) ist eine ideale Diode - also ein richtungsabhängiges Stromventil - zu sehen. Daneben ist die Übertragungskennlinie bzw. Strom-Spannungs-Kennlinie (in diesem Fall auch Diodenkennlinie genannt) abgebildet. Die Spannung an der Diode ist dabei auf der x-, der Strom durch die Diode auf der y-Achse abgetragen. Die Diode ist bei allen Spannungen unter 0V nicht-leitend, bei allen Spannungen darüber leitet Sie den Strom.
Im letzten Beispiel (rechts) ist eine reale Diode verschaltet. Die reale Diode unterscheidet sich in folgenden Punkten von der idealen Diode:

  1. Die reale Diode hat keinen so steilen Anstieg
  2. Die reale Diode hat einen nicht-linearen Widerstand; sie ist kein ohmscher Widerstand
  3. Die reale Diode scheint eine Mindestspannung zu benötigen, um einen Strom fließen zu lassen.

Die Details zur realen Diode werden in Folgenden beschrieben.

Entstehung des p-n-ÜbergangsFig. 8: Entstehung des p-n-Übergangs

In einer Diode stoßen zwei verschieden dotierte Schichten von Silizium aufeinander: p-dotiertes Silizium (“p-Kristall”) auf der einen und n-dotiertes Silizium (“n-Kristall”) auf der anderen Seite.

Es soll zunächst die Situation ohne äußere Spannung betrachtet werden (vergleiche figure 8). Auf der n-dotierte Seite werden sich bei Raumtemperatur viele frei beweglichen Elektronen lösen und Akzeptoren ortsfest hinterlassen. Gleiches ist auf der p-dotierten Seite zu sehen: die frei beweglichen Löcher hinterlassen Donatoren. in der Mitte, am pn-Übergang, treffen beide bewegliche Ladungsträger, Elektronen und Löcher, aufeinander. Beim direkten Aufeinandertreffen werden beide Ladungsträger sich aufheben, sie rekombinieren. Dabei entsteht ein Photon (elektromagnetische Schwingung) und/oder ein Phonon (Gitterschwingung). Durch die Rekombination bildet sich eine Schicht, die Sperrschicht, welche weitgehend frei von freien beweglichen Ladungsträgern ist. Die Sperrschicht wirkt zunächst als Isolator.

Mit äußerer Spannung $U_D$ an der Diode sind zwei Fälle zu unterscheiden (figure 9):

  1. Anlegen einer positiver Spannung von p-dotierte Seite nach n-dotierter Seite
    (Diodenspannung = Vorwärtsspannung $U_D = U_F$, $U_F>0$).
  2. Anlegen einer negativen Spannung von p-dotierte Seite nach n-dotierter Seite
    (Diodenspannung = Sperrspannung $U_D = -U_R$, $U_R>0$).

Funktionsweise einer HalbleiterdiodeFig. 9: Funktionsweise einer Halbleiterdiode

Zur Erstellung der Dioden-Kennlinie kann ein Dreieck- oder Sägezahn-Signal aufgebracht werden (siehe Falstad-Simulationen).

Vorwärtsspannung $U_F>0$

Wird an die p-dotierte Seite ein positives Potential angelegt, so werden die dort frei beweglichen Löcher zum pn-Übergang getrieben. Auf der n-dotierten Seite liegt dann negatives Potential, das die frei beweglichen Elektronen ebenfalls in Richtung pn-Übergang treibt. Am pn-Übergang können Löcher und Elektronen sich gegenseitig neutralisieren. So können weiter Löcher vom Pluspol und Elektronen vom Minuspol nachrücken und es fließt ein elektrischer Strom durch die Diode. Die Diode ist in Durchlassrichtung geschaltet. Bei den üblichen Dioden fallen in Durchlassrichtung ungefähr $0,7 V$ ab. Das heißt der Strom passiert die Diode natürlich nicht komplett widerstandslos, sondern es muss dafür die Durchlassspannung $U_S$ von ca. $0,7 V$ von außen angelegt werden.3). Diese Spannung ergibt sich aus der auf ein Elektron bezogenen Energiedifferenz der Bandlücke, welche bei Silizium etwa $1,1eV$ beträgt, aber durch die thermische Energie (Phononen) verringert wird. Bei genauerer Betrachtung gleicht der Verlauf einer Exponentialfunktion. Diese lässt sich durch die Shockley-Gleichung beschreiben:

$\boxed{\large{I_F = I_S(T)\cdot (e^{\frac{U_F}{m\cdot U_T}}-1)}}$
$\small{I_F}$ Durchlassstrom an der Diode (Forward Current) “positiver Strom an der Diode”
$\small{U_F}$ Durchlass-, bzw. Vorwärtsspannung (Forward Voltage) “positive Spannung an der Diode”
$\small{I_S(T)}$ Sperrstrom (Saturation or Leakage Current) “vorhandener Strom bei Verschaltung in Sperrichtung”
$\small{m}$ Emissionskoeffizient (1…2) “Kniffelfaktor, nur ein Teil der Energie von $U_F$ wirkt auf die Ladungsträger”
$\small{U_T}$ Temperaturspannung ($26mV$ bei Raumtemp.) “Energie aufgrund der Temperatur bezogen auf die Ladung”

Aus der exponentiellen Funktion lassen sich mehrere Konsequenzen ableiten:

  1. Die Durchlassspannung $U_S$ von ca. $0,7 V$ ist davon abhängig, welcher Strom(/Spannungs-)bereich betrachtet wird. $0,6...0,7V$ ist ein geeigneter Wert für Ströme im Bereich von $5...100mA$. Dieser Bereich ist wird in den meisten Schaltungen genutzt. Bei kleineren Strömen sinkt auch die Durchlassspannung $U_S$
    (z.B. für $5...100\mu A \rightarrow ca. 0,4V$,   $0,1...1\mu A \rightarrow ca. 0,2V$, siehe folgende Falstad Simulation).
  2. Die Durchlassspannung und der Spannungsverlauf ist temperaturabhängig. Je höher die Temperatur, desto mehr Strom fließt bei gleicher Spannung. Wird also eine Diode direkt an eine Spannungsquelle angeschlossen, so würde bei Strömen über ca $50mA$ über die Eigenerwärmung 4) der Strom stark ansteigen bis zum / über den Maximalstrom.

Merke

Eine Diode verhält sich wie ein NTC-Widerstand, das heißt: Je wärmer es wird, desto geringer wird der Widerstand, desto mehr Strom fließt ($I\sim \frac{1}{R}$), desto mehr Verlustleistung gibt es ($P_{loss}\sim I$), desto wärmer wird es ($\vartheta\sim P_{loss}$). Dieser Zusammenhang kann zur Zerstörung der Diode führen.

Wird eine Diode verwendet, ist also zu beachten, dass diese thermisch stabilisiert werden muss. Eine häufig verwendete Methode ist die Verwendung eines Widerstands, z.B. Lastwiderstand oder Vorwiderstand bei einer LED.

Entsprechend sind auch bei der Parallelschaltung von Dioden entweder diese vorher auszumessen und auf ähnliche Kennlinie zu vergleichen oder ebenso ein Vorwiderstand vorzusehen.

Sperrspannung $U_R>0$

Wird die Diode entgegengesetzt kontaktiert, also Pluspol an der n-dotierten Seite und Minuspol an der p-dotierten Seite, kann dagegen kein Strom fließen. Denn aus der n-dotierten Seite werden die freien Elektronen vom Pluspol abgesaugt, und aus der p-dotierten Seite werden die freien Löcher entfernt. Dazwischen entsteht eine sogenannte Verarmungszone ohne freie Ladungsträger. Durch diese Verarmungszone kann keine elektrische Ladung transportiert werden und die Diode kann “keinen Strom” leiten. Die Diode ist in Sperrrichtung geschaltet. Tatsächlich kann die Diode dennoch einen sehr kleinen Sperrstrom $\boldsymbol{I_S}$ leiten: Durch die thermische Energie werden immer wieder freien Elektronen und freie Löcher gebildet, die eine Leitfähigkeit ermöglichen. Dadurch ist auch klar, dass der Sperrstrom temperaturabhängig ist. $I_S(T)$ liegt im Bereich $100nA...10\mu A$.

Schaltzeichen einer Z-DiodeFig. 10: Schaltzeichen einer Z-Diode

Wird die Sperrspannung betragsmäßig weiter erhöht, dann werden immer stärker die freien Ladungsträger abgesaugt. Ab einer bestimmten negativen Spannung wird die Energie der frei bewegliche Ladungsträger so groß, dass diese weitere Ladungsträger herausschlagen, welche wiederum welche herausschlagen. Dadurch ergeben sich lawinenartig viele frei bewegliche Ladungsträger und die Diode wird abrupt leitend. Diese Situation wird Durchbruch genannt. Die Spannung wird, nach dem Entdecker Clarence Zener, mit $U_Z$ bezeichnet. Für eine gewöhnliche Diode ist der Durchbruch problematisch, da er nicht bei einer definierten Spannung auftritt. Ohne genaue Kenntnis dieser Spannung wird durch den schnellen Stromanstieg die Diode schnell zerstört. Neben dem Lawinen-Durchbruch bei hohen negativen Spannungen gibt es bei hoch-dotierten Materialien aufgrund quantenmechanischer Prozesse einen Zener-Durchbruch bei niedrigen Spannungen. Durch geeignete Strukturierung ist es möglich beide Effekte in der sogenannten Z-Diode zu kombinieren (früher Zener-Diode genannt). Dies hat zwei große Vorteile: einerseits ist es damit möglich Dioden zu erzeugen, die bei beliebigen (negativen) Spannungen durchlassen. Andererseits lässt sich damit die Temperaturabhängigkeit des Verlaufs kompensieren.

Im den älteren Schaltzeichen - welche nicht mehr verwendet werden sollten - ist das Z der Z-Diode noch zu sehen (figure 10). Im aktuellen Symbol für die Z-Diode ist lediglich auf der Ober- oder der Unterseite ein Strich gezeichnet. Die soll eine versehentliche Verwechslung mit anderen Dioden-Schaltzeichen vermeiden.

Merke

Z-Dioden werden für den Betrieb in Gegenrichtung verschaltet. Z-Dioden gibt es vorgefertigt für verschiedenen Durchbruchspannungen $U_Z$

In der Dioden-Kennlinie $I_D(U_D)$ sind die einzelnen Spannungsbereiche nach den jeweiligen Wirkungen bezeichnet: Durchbruchbereich ($U_D = -U_R < U_Z$), Sperrbereich ($U_Z < U_D < U_S$), Durchlassbereich ($U_D = U_F > U_S$).

Absorption von Photonen in der intrinsischen Schicht einer PhotodiodeFig. 11: Absorption von Photonen in der intrinsischen Schicht einer Photodiode

Neben der bisher besprochenen Silizium-PN-Diode und der Z-Diode sind noch weitere Dioden für verschiedene Anwendungen vorhanden. Im folgenden sollen die wichtigsten kurz beschrieben werden.

PIN-Diode

Bei der PIN-Diode liegt zwischen p-dotiertem und n-dotiertem Bereich liegt ein undotierter Bereich (intrisisch nicht-leitend). Der Name leitet sich also aus den vorhandenen Schichten der Diode ab. In allen Dioden ergibt sich durch die ladungsträgerfreie Sperrschicht ein Kondensator. Die Kapazität dieses Kondensators ist reziprok proportional zum Abstand $d$ zwischen den leitfähigen Bereichen: $C\sim \frac{1}{d}$. Durch den zusätzlich eingefügten undotierten Bereich wird $d$ größer und damit die Kapazität kleiner. Diese Kapazität wird bei Wechselspannungsanwendungen im Wechsel geladen und entladen. Eine geringere Kapazität verbessert das Sperrverhalten bei hohen Frequenzen. Die verbreiterte Sperrschicht erhöht zudem die Spannungsfestigkeit der Diode. Für Die PIN-Diode wird das gleiche Schaltzeichen wie für die klassische PN-Diode verwendet.

Photodiode (Solarzelle)

Schaltzeichen einer PhotdiodeFig. 12: Schaltzeichen einer Photodiode

Eine Photodiode ist eine PIN-Diode, welche so aufgebaut ist, dass der Querschnitt der Sperrschicht eine sehr große Fläche einnimmt. Der Aufbau einer Photodiode ist: n-dotierte Schicht, intrinsisch-leitende Schicht, p-dotierte Schicht. Trifft ein Photon auf die Diode, so wird ein Elektron-Loch-Paar generiert, welches durch das elektrische Feld im PN-Übergang getrennt wird: die Elektronen reichern sich in der n-dotierten Schicht an, die Löcher in der p-dotierten Schicht (siehe figure 11). Bei eine Photodiode werden die Ladungsträger spannungsfrei abgeführt. Die Anzahl der Ladungsträger ist dabei proportional zu den absorbierten Photonen. Das Schaltzeichen (figure 12) zeigt mit Pfeilen die eintreffenden Photonen an.

Wird die bei einer Diode gebildete Spannung als Quellspannung genutzt, so spricht man von einer Solarzelle. Als Material für Solarzellen wird häufig aus Kosten und Verarbeitungsgründen Silizium genutzt. Solarzellen können nie die komplette einstrahlende Energie umsetzen: Photonen mit Energien unterhalb der Bandlücke $W_g$ können kein Elektron-Loch-Paar erzeugen. Bei Photonenenergien $W_{ph}$ oberhalb der Bandlücke $W_g$ wird ein Teil der Energie ($W_{ph}-E_g$) als Wärme bzw. Phonon abgegeben. Daneben gibt es noch weitere technische Gründe für Verluste. Bei Silizium kann bis zu 26% der eingestrahlten Energie in elektrische Energie umgewandelt werden. Mit mehreren Lagen aus unterschiedlichen Materialien kann der Wirkungsgrad gesteigert werden.

Germanium-Diode

Bei der Germanium-Diode wird als Halbleiter Germanium statt Silizium verwendet. Germanium hat eine kleinere Bandlücke und damit auch eine geringere Durchlassspannung von etwa $U_D=0,3V$. Damit ist die Germanium-Diode bei kleinen Strömen und Spannungen bereits näher an einer idealen Diode. Nachteilig im Vergleich zu Silizium-PN-Dioden ist, dass der in Sperrrichtung vorhandene Sperrstrom größer und der Anstieg in Durchlassrichtung geringer ist. Salopp gesagt “sperrt” die Diode nicht ganz so gut und der “Knick” in der Kennlinie ist weniger ausgeprägt. Für die Germanium-Diode wird das gleiche Schaltzeichen wie für die PN-Diode verwendet. Da im Gegensatz zu Silizium bei Germanium einer weitere Elektronenschale gefüllt wurde, ist der Kern stärker abgeschirmt. Das leichtere Ablösen der äußeren Elektronen im Kristall führt zum einen zur kleineren Bandlücke, aber auch zu einer höheren Eigenleitung(sdichte). Eine Konsequenz davon ist, dass Germaniumdioden geringere Betriebstemperaturen (ca. 70..90°C) als Silizium besitzt.

Schaltzeichen einer Schottky-DiodeFig. 13: Schaltzeichen einer Schottky-Diode

Schottky-Diode

Auch bei der Schottky-Diode wird ein anderes Material verwendet. Bei der Silizium-Schottky-Diode wird aber nur auf der bisher p-dotierten Seite ein Metall statt Silizium genutzt. Dadurch entfallen die Löcher als Ladungsträger, was ein “schnelleres Schalten” ermöglicht: verfügbare Schottky-Dioden haben eine Durchlassspannung im Bereich von $U_S=0,15...0,45V$. Zwar haben die Silizium-Schottky-Dioden ähnliche Vor- und Nachteile wie die Germanium-Diode, die Nachteile wie höherer Sperrstrom (im Vergleich zu Silizium-PN-Diode) und die geringere Steigung sind aber weniger ausgeprägt. In den meisten Anwendungen ist die Silizium-Schottky-Diode der Germanium-Diode überlegen. Das Schaltzeichen (figure 13) stilisiert ein S für Schottky, welches insbesondere beim nicht normierten Zeichen sichtbar ist.

Leistungsdioden

Bei Leistungsanwendungen werden Siliziumcarbid-Schottky-Dioden (SiC-Schottky) mit einer Durchlassspannung von $U_S=0,8V$ oder Galliumnitrid-Dioden (GaN) verwendet. Durch die große Bandlücke der beiden Materialien ergibt sich eine geringere Eigenleitung. Das führt dazu, dass diese Dioden auch bei hohen Temperaturen (und damit hohe Verluste und Spannungen) betrieben werden können. Die Sperrspannung liegt merklich höher als bei Siliziumdioden (SiC: bis ca. 1'600V, GaN ca. 200V).

Die beiden Materialien werden auch bei Leistungstransistoren für höhere Leistungen genutzt (kW bis MW-Bereich).

(O)LED

Schaltzeichen einer LEDFig. 14: Schaltzeichen einer LED

Bei der (Organischen) Licht-emittierenden Diode werden andere (auch organische) Halbleitermaterialien statt Silizium verwendet. Diese sind so optimiert, dass durch die Rekombination in Durchlassrichtung im wesentlichen Photonen einer bestimmten Wellenlänge gebildet werden. Dafür ist eine große Bandlücke notwendig, welche auch eine hohe Durchlassspannung $U_S>2V$ erzeugt. Wie bei allen Dioden muss bei LEDs darauf geachtet werden, dass durch den negativen Temperaturkoeffizienten die Diode nicht bei hohen Strömen einen defekt erleidet: Jede LED benötigt einen Vorwiderstand, der so ausgelegt sein soll, dass der Strom begrenzt wird. In der Regel sind LED auf $I_D=20mA$ ausgelegt. Eine schöne Übersicht der verschiedenen Spannungen und Maximalströme finden sich auf Reicheltpedia; für eine konkrete Verwendung einer LED sollte das Datenblatt inspiziert werden. Das Schaltzeichen (figure 14) zeigt mit Pfeilen die ausgehenden Photonen an.

Die folgende Simulation ermöglicht einen Vergleich verschiedener Dioden im Spannungsbereich $U=\pm0,05V$. Dadurch werden die unterschiedlichen Sperrströme $I_S$ im negativen Spannungsbereich und der frühe Anstieg von Germanium und Schottky-Dioden sichtbar.

Die idealisierte Diode besteht aus:

  • einer idealen Diode, welche maximal leitfähig ist, wenn $U>0$,
  • einer Spannungsquelle, welche die Durchlassspannung bereitstellt: $U_Q = U_S$
  • einem ohmschen Widerstand mit einen Widerstandswert in der Art, dass für den gewünschten Spannungsbereich (=Arbeitspunkt) die reale Diodenkennlinie angenähert wird. Dieser Widerstand wird differentieller Widerstand $r_D$ genannt.

Ist man nur an dem Verhalten der Diode in bei Spannungen oberhalb der Durchlassspannung ($U>U_S$) interessiert, dann kann die ideale Diode auch entfernt werden. In den unten stehenden Videos sind zwei der wesentlichen Rechnungen im Umgang mit Dioden gezeigt.

Im Folgenden sollen die wichtigsten Anwendungen für Dioden vorgestellt werden. Unter den Links sind die jeweiligen Simulationen dazu zu finden.

Eine häufig genutzte Anwendung sind Gleichrichter, welche eine Wechselspannung in eine Gleichspannung wandeln. Dabei wird der Einweggleichrichter und der Brückengleichrichter oder Vollweggleichrichter unterschieden. Gleichrichter werden zum einen bei der Energieversorgung genutzt. Zum anderen kann mit einem Gleichrichter (unter Verwendung von Verstärkern) der Spitzenwert eines Spannungsverlaufs leicht ermittelt werden.

Ein ähnliches Konzept ermöglicht es auch aus einer Wechselspannung die doppelte, dreifache oder vielfache Spannung zu generieren.

Als Überspannungsschutz können z.B. die Funken beim Schalten von Induktivitäten durch das "Freilaufen" des Stroms vermieden werden. Auch zu große Auslenkungen von Wechselgrößen sind durch eine antiparallele Verschaltung analog begrenzbar (z.B. für Aktuatoren wie Lautsprecher). Darunter zählen auch die im Anfangsbeispiel dargestellten Suppressordioden, welche elektronische Schaltungen vor kurzzeitigen Überspannungen schützen.

Der relativ stabile Spannungsabfall an Dioden ermöglicht es, diese als Spannungsreferenz zu nutzen. Dazu nutzt man einen Spannungsteiler aus einem Widerstand und einer Diode, an welcher dann bei einem großen Eingangsspannungsbereich eine konstante Spannung abfällt. Speziell Z-Dioden sind durch die große Auswahl an unterschiedlichen Durchbruchspannungen für diese Anwendung prädestiniert. In einem weiteren Schritt kann die Spannungsreferenz in einer Verstärkerschaltung zu einer Präzisionsspannungsquelle weiterentwickelt werden.

Aufgaben

Aufgabe 2.1.1 Diode bei höheren Frequenzen

In Ihrer Firma „HHN Mechatronics & Robotics“ haben Sie einen Eintaktgleichrichter aufgebaut, um ein sinusförmiges Messsignal von ($f=200kHz$, Amplitude $\hat{U} = 5,0V$, Ausgangswiderstand des Sensors $R_q = 10k$) gleichzurichten. Dazu haben Sie eine einfacher Schaltung mit der “Si-Gleichrichterdiode” $D=1N5400$ und einen Glättungskondensator mit $C=10pF$ aufgebaut. Als Messgerät nutzten Sie ein Oszilloskop (Rigol DS1000E). Die Schaltung ist in nebenstehender Skizze gezeichnet.

Ihr Kollege hat Sie bereits darauf hingewiesen, dass bei hohen Frequenzen manche Dioden ein Problem mit dem Gleichrichten bekommen. Das haben Sie beim Durchmessen des Aufbaus und Blick auf das Oszilloskop auch gemerkt…

Schreiben Sie den erwarteten Signalverlauf vor der jeweiligen Simulation auf. Beachten Sie, dass Sie in der Simulation ein eingeschwungenes System betrachten müssen!

  1. Suchen Sie in der Anleitung des Oszilloskops die Werte der Eingangsimpedanz, welche in der Schaltung für den Eingangswiderstand $R_E$ und die Eingangskapazität $C_E$ benötigt werden.
    Bilden Sie die Schaltung in mit den Angaben von oben TINA TI nach (Schaltung 1). Dabei ist - wie in der Skizze dargestellt - die Eingangsimpedanz des Oszilloskops zu berücksichtigen.
    Simulieren Sie die Schaltung 1 mit dem angegebenen Signal. Beschreiben Sie kurz den erwarteten und gemessenen Signalverlauf.



















  2. Versuchen Sie die Kapazität des Kondensator $C$ so abzustimmen, dass sich der erwartete, gleichgerichtete Wert einstellt. Was stellen Sie fest?



















  3. Da irgendwas komisch zu sein scheint, wollen Sie die Schaltung debuggen, also den Fehler ermitteln. Sie nutzen dazu einen generischen Ansatz für die Fehlersuche und wollen das unklare System auf ein Minimum herunterbrechen. Konkret heißt das: Sie bauen eine geänderte Schaltung auf (Schaltung 2):
    1. der Sensor wird durch einen Funktionsgenerator (gleiche Frequenz und Amplitude, aber $R_q = 50 \Omega$) ersetzt,
    2. der Glättungskondensator $C$ wird durch eine offene Leitung ersetzt (ist also nicht mehr vorhanden)
  4. Simulieren Sie die Schaltung 2 mit dem bisherig angegebenen Signal. Beschreiben Sie kurz den erwarteten und gemessenen Signalverlauf.




















  5. Gehen Sie nun noch einen Schritt zurück und versuchen etwas mehr Strom über die Diode fließen zu lassen. In Schaltung 2 war der Strom durch $R_E$ begrenzt und die Diode damit noch nicht über $U_S=0,7V$ betrieben. Die Idee ist nun in Schaltung 3 auch den Eingangswiderstand auf $R_E = 50 \Omega$ zu schalten (dies ist bei einigen Oszilloskopen möglich). Der Rest der Schaltung 3 gleicht Schaltung 2.
    Simulieren Sie die Schaltung 3 mit dem bisherig angegebenen Signal. Beschreiben Sie kurz den erwarteten und gemessenen Signalverlauf.

















  6. Nun scheinen Sie dem Problem näher zu kommen. Sie variieren Eingangswiderstand auf $R_E = 500 \Omega$ (Schaltung 4)
    Simulieren Sie die Schaltung 4 mit dem angegebenen Signal. Beschreiben Sie kurz den erwarteten und gemessenen Signalverlauf.





















  7. Ihr Kollege gibt Ihnen den Tipp, dass der Verlauf (siehe Diagramm rechts) typisch sei für
    1. einen zu großen Sperrverzug / eine zu große Sperrverzugszeit (reverse recovery time $t_{rr}$). Diese ist in Tina über die Transitzeit (Transit Time $TT$) nachgebildet
    2. eine zu große Sperrschichtkapazität (junction capacity $C_j$ oder diode capacity $C_D$).
  8. Diese Werte sind in Tina TI über folgendes Vorgehen veränderbar: Doppeklick auf die Diode » Klick auf bei Type » Suchen der genannten Größen.
    Sie wollen nun analysieren wie jeweils der Sperrverzug und die Sperrschichtkapazität auf den Spannungsverlauf (bei Schaltung 4) bewirkt.
    Simulieren und beschreiben Sie dafür den Spannungsverlauf wenn
    1. einerseits den Sperrverzug auf $0s$ zurückgesetzt oder
    2. andererseits die Sperrschichtkapazität auf $0F$ zurückgesetzt wird.















  9. Wählen Sie statt der Diode $D=1N5400$ die Diode $D=1N4148$ und simulieren Sie nochmals die Schaltung 3 und Schaltung 1.
    Wie verhält sich nun der Spannungsverlauf und warum?









Aufgabe 2.1.2 Berechnung eines Vorwiderstands für eine Diode

Sie wollen eine rote Leuchtdiode an einer Spannungsquelle von $U_q = 5,0 V$ mit einem Strom von $I_D = 20 mA$ betreiben. Im Internet haben Sie einen Spannungsabfall von $U_D = 2,3 V$ für rote LEDs gefunden. Nun wollen Sie wissen, welcher Widerstand aus der (Ihnen vorliegenden) E12-Reihe der richtige ist.

  1. Zeichnen Sie die Schaltung der LED mit Vorwiderstand und zeichnen Sie die Spannungen ein.












  2. Wie groß muss der Vorwiderstand $R_V$ bemessen sein, damit sich der oben genannte Spannungsabfall $U_S$ ergibt?












  3. Suchen Sie im Datenblatt der roten LED TLUR6400 den Zusammenhang zwischen Durchflussspannung (“Forward Voltage”) und Durchflussstrom (“Forward Current”). Welcher Spannungsabfall $U_D$ lässt sich daraus für $I_D = 20 mA$ ermitteln und wie groß ist der korrekte Vorwiderstand?












  4. Vergleichen Sie kurz die unterschiedlichen Ergebnisse unter Berücksichtigung der E12 Reihe.












Aufgabe 2.1.3 Z-Diode als Spannungsreferenz

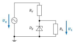
z-Diode als Spannungsreferenz

Eine Z-Diode ermöglicht in einer Spannungsreferenz-Schaltung, dass - trotz einer schwankenden Eingangsspannung - eine Ausgangsspannung relativ konstant gehalten werden kann. Dazu kann im einfachsten Fall eine Schaltung wie rechts abgebildet verwendet werden. Für die Aufgabe sollen folgenden Größen genutzt werden:

  • Quellenspannung $U_q=7,0 ... 13,0V$ (z.B. über sinusförmige Eingangsspannung mit $f = 50 Hz$),
  • Vorwiderstand $R_V=1,0k\Omega $
  • Lastwiderstand $R_L=10k\Omega $
  • Z-Diode $D_Z$ als $BZX84C6V2$ ($U_Z = 6,2 V$)

Von einer idealen (Z-)Diode würde man annehmen, dass die Durchbruchspannung $U_Z$ bei allen Sperrströmen $I_S$ gehalten werden kann.
Für die reale Diode soll dies überprüft werden.

  1. Bilden Sie die Schaltung in Tina TI nach und fügen Sie ein Bild der Schaltung ein.
  2. Vergleichen Sie den Verlauf von $U_L$ zu $U_q$. Messen Sie dabei insbesondere Maximal- und Minimalwert von $U_L$.























  3. Ändern Sie den Lastwiderstand auf $R_L=1,0k\Omega $ und führen Sie den gleichen Vergleich von $U_L$ zu $U_q$ nochmals durch.












  4. Wie lässt sich der Unterschied erklären?












Aufgabe 2.1.4 Berechnung des differentiellen Widerstands einer Diode

Fig. 15: Idealisierte Diode elektronische_schaltungstechnik:bildidealisiertediode.png

Der differentielle Widerstand $r_D$ einer Diode wurde bereits im Kapitel beschrieben. Dieser ist notwendig, wenn eine Diode über ein vereinfachtes Dioden-Modell (Spannungsquelle + Widerstand + ggf. ideale Diode) nachgebildet werden soll. In figure 15 sehen Sie den differentiellen Leitwert $g_D={{1}\over{r_D}}$ als lokale Steigung am gewünschten Arbeitspunkt. Berechnen Sie den differentiellen Widerstand $r_D$ bei einem Durchlassstrom $I_D=15 mA$ für Raumtemperatur ($T=293K$) und $m=1$ aus der Shockley-Gleichung: ${I_F = I_S(T)\cdot (e^{\frac{U_F}{m\cdot U_T}}-1)}$ mit $U_T = \frac{k_B \cdot T}{e}$ Berechnen Sie dazu zunächst die allgemeine Formel für den differentiellen Widerstand $r_D$.

Schritte:

  1. Vereinfachen Sie als erstes die Shockley-Gleichung für $U_F >> U_T$
















  2. Ermitteln Sie eine Formel für $\frac {d I_F}{d U_F}$.












  3. Ersetzen Sie einen Teil des Ergebnisses wiederum durch $I_F$ und drehen Sie den Bruch für die Berechnung des differentiellen Widerstands um $r_D = \frac {d U_F}{d I_F}$.
    Als Ergebnis sollte nun $r_D = \frac {d U_F}{d I_F} = \frac {m \cdot U_T}{I_F} $ vorliegen












  4. Rechnen Sie $r_D$ aus.






















Aufgabe 2.1.5 zwei LEDs an einem Digitalausgang

Für eine Schaltung benötigen Sie eine Ansteuerung von zwei LEDs, leider ist aber nur noch ein Digitalausgang frei. Die Versorgungsspannung des Microcontrollers und des Boards ist 5V. Die LED1 soll eine Flussspannung $U_{f,1}=2,3V$ (rot) haben, die LED2 eine Flussspannung $U_{f,2}=2,1V$ (grün).

  1. Entwickeln Sie eine Schaltung aus den vorhandenen Spannungsniveaus, sodass beide LEDs ansteuert kann.
    Vorhandene Spannungsniveaus:
    1. Versorgung: 5V
    2. Digitalausgang: 5V, 0V oder hohe Impedanz
    3. Masse: 0V
















  2. Berechnen Sie die Werte für die weiteren notwendigen Komponenten












Übung 2.1.6 Schaltung mit mehreren Dioden I

Die folgende Simulation enthält mehrere Dioden. Für die Lampen soll gelten, dass diese hell leuchten, wenn sie einen Spannungsabfall von $5V$ oder mehr erfahren.
Welche Lampen leuchten, wenn der Schalter geschlossen wird?

Exercise 2.1.7 Schaltung mit mehreren Dioden II

Die folgende Simulation enthält mehrere Dioden. Es soll ein einfaches Diodenmodell angenommen werden (die Vorwärtsspannung ist konstant $V_F=0.7V$). Die Quellspannung beträgt $U0=4V$.

Berechnen Sie die Ströme durch $D1$, $R1$, $R2$.

Exercise 2.1.8 Schaltung mit mehreren Dioden III

Die folgende Simulation enthält mehrere Dioden. Es soll ein einfaches Diodenmodell angenommen werden (die Vorwärtsspannung ist konstant $V_F=0.7V$). Die Quellspannung beträgt $U0=5$.

Berechnen Sie die Ströme durch $R1$, $D1$ und $D2$ welche sich in Abhängigkeit der Schalterstellung von $S$ ergibt.

Lernfragen

Zum Selbststudium

  • Zeichnen Sie in einem U-I Diagramm die Kennlinie eines einer idealen Diode und einer realen Siliziumdiode ein und erklären Sie die Unterschiede.
  • Was versteht man unter n- und p-dotiert?
  • Wie bildet sich eine Sperrschicht innerhalb der Diode?
  • Was versteht man unter einer Schwellenspannung?
  • Warum fällt an einer Diode Spannung ab?
    • Skizzieren Sie den Schichtenaufbau einer Diode und bezeichnen Sie die drei gebildeten Schichten.
    • Welche Art freier Ladungsträger ist in diesen Schichten jeweils verfügbar?
    • Zeichnen Sie die entstehenden elektrischen Felder in der Diode ein, wenn kein äußeres Feld anliegt.
    • Erklären Sie, wie durch eine externe Spannung die Diode in einen leitfähigen Zustand gebracht werden kann.
  • Erklären Sie die Funktionsweise einer Diode anhand einer Skizze. Zeichnen Sie folgende Bereiche ein: p-dotierter Teil, n-dotierter Teil, Sperrschicht.
  • Gegeben ist ein Schichtaufbau einer Diode (n-Dotierung und p-Dotierung erkennbar). Wie müsste die Diode angeschlossen werden, damit sie Strom durchlässt?
  • typische Diodenkennlinie für Siliziumdioden
    • Zeichnen sie eine Kennlinie für Siliziumdioden.
    • Welche Spannung ist hierbei kennzeichnend? (Fachbegriff der Spannung, Größe der Spannung, relevanter Strombereich)
    • Fügen Sie die Fachbegriffe der drei relevanten Spannungsbereiche ein.
  • Z-Diode
    • Erklären Sie das Funktionsprinzip einer Z-Diode anhand ihrer Kennlinie.
    • Zeichnen Sie den Stromverlauf einer 6V8 Diode in ein Spannungs-Strom-Diagramm ein.
  • Was muss bei der Wahl eines Diodentyps beachtet werden?
  • Nennen Sie drei Anwendungsfälle von Dioden und skizzieren Sie den Aufbau.
  • Gleichrichterschaltungen
    • Zeichnen Sie einen Einweggleichrichter. Zeichnen Sie einen Brückengleichrichter.
    • Gegeben ist eine sinusförmige Eingangsspannung von 3V. Zeichnen Sie den Signalverlauf der Eingangsspannung und der Ausgangsspannung der beiden Gleichrichter über 2 Perioden für 50 Hz in ein Diagramm.
    • Wie kann die Ausgangsspannung geglättet werden? Wie kann der Ausgangsstrom geglättet werden?
    • Gegeben ist eine sinusförmige Eingangsspannung von 3V. Was ist zu beachten, wenn sehr hohe Frequenzen gleichgerichtet werden sollen? Zeichnen Sie einen möglichen Signalverlauf der Eingangsspannung und der Ausgangsspannung der beiden Gleichrichter über 2 Perioden für 50 GHz in ein Diagramm.
  • Zeichnen Sie eine Schaltung, mit welcher die positive Halbwelle einer Sinusspannung abgeschnitten werden kann.

mit Antworten

Welche der folgenden Aussage(n) ist/sind richtig?
Von welchen physikalischen Eigenschaften ist die Durchlassspannung $U_S$ abhängig?
Welche Aussage(n) zur Sperrschicht ist/sind korrekt?
Aussagen zum Leitungs-/Valenzband
Die Durchlasspannung ...
Der Durchlasstrom ...
You Scored % - /
Referenzen zu den genutzten Medien

1) Die Widersprüche des Bohrschen Atommodells wurden erst durch die Quantenphysik und der Orbitaltheorie gelöst.
2) Das Elektronenvolt (eV) entspricht der Energie, die ein Elektron aufnimmt, wenn es in eine Potentialdifferenz von einem Volt durchläuft. Ein Elektronenvolt entspricht $1,602\cdot 10^{-19} J$. Da die Energie in Joule unhandlich und nicht leicht verständlich ist, wird diese auf die Energiegewinn eines Elektrons in Volt umgerechnet. Dazu wird die Elementarladung $e_0=1,602\cdot 10^{-19} C$ genutzt.
3) In der Literatur ist die Durchlassspannung unter weiteren Namen zu finden: Schleußenspannung, Schwellenspannung, Flussspannung, Knickspannung, Vorwärtsspannung.
4) Die Eigenerwärmung $Q$, bzw. Temperaturerhöhung $\Delta \vartheta$ ergibt sich direkt über die Verlustleistung $P_{loss}=U_D \cdot I_D = \dot{Q} = C\cdot \Delta \vartheta$.