This is an old revision of the document!
Aufgaben
Aufgabe 3.3.1 Analyse der Impedanzwandler-Schaltung mit unterschiedlichen Operationsverstärkern
Stellen Sie sich vor, dass Sie in der Firma “HHN Mechatronics & Robotics” arbeiten, welche ein günstiges mobiles EKG – also ein Messgerät für das Elektrokardiogramm, bzw. die Herzspannungskurve – für Sportler und Bedürftige aufbauen möchte. Das Messsignal hat dabei nur wenige Millivolt und Mikroampere. Um das Signal auf dem Weg von der aufgeklebten Elektrode zur Auswerteelektronik vor elektromagnetischer Einstrahlung zu schützen, ist eine Abschirmung um die Leitung gelegt (siehe Abb. 1). Da dadurch aber ein parasitärer Kondensator aufgebaut wird, hat Ihnen ein Kollege eine aktive Schirmung vorgeschlagen. Dabei wird die Abschirmung über einen Spannungsfolger immer auf der Messspannung gehalten, welche an der Leitung anliegt (siehe Abb. 2). Der parasitäre Kondensator wird durch diesen Aufbau nie geladen, da auf seinen beiden Seiten die gleiche Spannung herrscht - es entsteht keine Verfälschung des Signals. Wichtig ist für die Anwendung, dass der Spannungsfolger schnell reagiert.
Sie sind mit der Auslegung dieses Spannungsfolgers betreut und sollen die verfügbaren Operationsverstärker LM318, uA741 und uA776 in der Spannungsfolger-Schaltung (vgl. Skript Seite) analysieren.
Es ist ein kurzer Bericht (Problembeschreibung, Schaltung aus Tina, Ergebnisse, Diskussion) zu erstellen; als Analysewerkzeug ist Tina TI zu verwenden.
- Bilden Sie die oben beschriebene Schaltung für einen realistischen Operationsverstärker in Tina nach. Nutzen Sie dabei als Quelle einen Spannungsgenerator als Sprungfunktion („Unit step“) mit der Amplitude A = 1 V .
- Simulieren Sie über „Analysis“»“Transient…“ für die angegebenen Operationsverstärker den Zeitverlauf.
Bestimmen Sie jeweils die Zeit die verstreicht bis der Ausgangswert von 0,1 V zum ersten mal 0,9 V erreicht (10% bis 90% der Amplitude, auch Anstiegszeit genannt). - Beschreiben Sie jeweils den Zeitverlauf. Gibt es neben der Anstiegszeit weitere Unterschiede?
- Welchen der drei Operationsverstärker würden Sie – auf Basis der angegebenen Informationen – für das Problem wählen?
Vertiefende Informationen (nicht relevant für Hausarbeit):
- Masterarbeit zu Entwicklung und Bau eines Demonstrationsmessgeräts
- Detailierte Beschreibung einer EMG/EKG Vorverstärkerschaltung
Aufgabe 3.3.2 Zusatzaufgabe zu 3.2.1
Bei dieser Aufgabe soll auch von der gleichen Fragestellung wie in Aufgabe 3.2.1 ausgegangen werden. Diesmal soll aber der Einfluss des Impedanzwandlers auf das Sensorsignal analysiert werden. Der Signalverlauf der EKG-Spannung muss dazu durch die Spannungsquelle nachgebildet werden. Wählen Sie dazu als Spannungsquelle “Piecewise linear” (3. von rechts) und verwenden Sie untenstehenden Verlauf.
Außerdem muss der Einfluss auf den Strom (=Ausganswiderstand des Sensors) berücksichtigt werden. Fügen Sie dazu jeweils direkt vor den nicht-invertieren Eingängen einen Widerstand mit 20 MOhm ein.
- Simulieren Sie nun den Zeitverlauf für 0 s bis 2 s mit “Use initial conditions”.
- Welchen einzigen Unterschied zeigen die ausgegebenen Signale? (y-Achse beachten)
- Für den realen Operationsverstärker müssen im Ersatzschaltbild 3 weitere Stromquellen und eine weitere Spannungsquelle berücksichtigt werden (vgl. Bild rechts). In Tina können die Werte dieser Stromquellen in den Spezifikationen des simulierten Operationsverstärker betrachtet werden (Doppelklick auf den OPV in Schaltung » Type … » Model Parameters). Aus die Analyse der gesamten Schaltung (incl. Ersatzschaltbild) soll hier nicht eingegangen werden. Es wird davon ausgegangen, dass der “input bias current” der Operationsverstärker der ausschlaggebende Wert ist.
Vergleichen Sie die Werte der verschiedenen Operationsverstärker. - Überlegen Sie sich vereinfachend, welche zusätzliche Eingangsspannung sich durch den Strom einer einzelnen Bias-Stromquelle am Sensorwiderstand ergibt.
Aufgabe 3.3.3 Verwendung von Verstärkern in Microcontrollern
In den Application Notes MTP3132 des Herstellers Microchip ist auf der 2. Seite ein Blockdiagramm gegeben, welches die Verwendung des Operationsverstärker-Moduls verschiedener PIC-Controller erklärt.
- Im Blockdiagramm ist das logische Eingangssignal “UG” eingezeichnet. Was passiert in der logischen Schaltung, wenn dieses den Wert TRUE annimmt?
- Welche Operationsverstärkerschaltung wird dadurch eingestellt?
- Zu welchem Zweck wird diese eingestellte Operationsverstärkerschaltung verwendet?
Aufgabe 3.4.2 Eingangswiderstand von rückgekoppelten Systemen
Im Kapitel 3.4.2 wurde der Ausgangswiderstand vom nichtinvertierenden Verstärker berechnet. Ermitteln Sie analog das Verhältnis zwischen dem Eingangswiderstand $R_{e,cL}$ einer closed-loop Verstärkerschaltung und dem open-loop Eingangswiderstand $R_{e,oL}$.
Aufgabe 3.5.1 invertierender Verstärker
Leiten Sie für den invertierenden Verstärker die Spannungsverstärkung her. Nutzen Sie dabei das Vorgehen, welches für den nicht-invertierenden Verstärker verwendet wurde.
Berücksichtigen Sie, dass für die Differenzverstärkung $A_D$ des idealen OPV gilt: $A_D \rightarrow \infty$.
Damit ist gilt auch: $1/A_D \rightarrow 0$ , aber es gilt nicht immer ${{C}\over{U_x \cdot A_D}} \rightarrow 0$, für eine unbekannte Kontante $C$ und eine Spannung $U_x$!
- Was ist gesucht?
- Anzahl der Variablen?
- Anzahl der notwendigen Gleichungen?
- Aufstellen der bekannten Gleichungen
- Herleitung der Spannungsverstärkung
- Welcher der Verstärker (invertierender oder nicht invertierender) hat einen geringeren Eingangswiderstand? Warum?
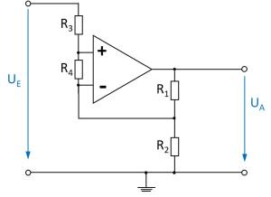
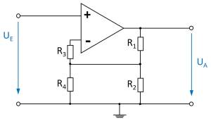
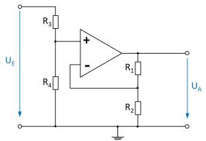
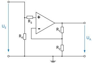
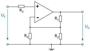
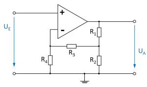
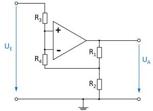
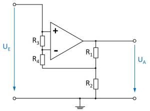
Aufgabe 3.5.2. Variationen des nicht-invertierenden Verstärkers
Unten stehend finden Sie Schaltungen mit einem idealen Operationsverstärker, welche dem nicht-invertierenden Verstärker ähneln und deren Spannungsverstärkung $A_V$ zu ermitteln ist.
Annahmen
- $R_1 = R_3 = R_4 = R$
- $R_2 = 2 \cdot R$
- $U_E$ entstammt einer niederohmigen Quelle
- $U_A$ liegt an einem hochohmigen Verbraucher an
Aufgaben
- Geben Sie für jede Schaltung die Spannungsverstärkung $A_V$ an. Eine detaillierte Rechnung wie bisher ist nicht notwendig.
- Geben Sie für die Abbildung 8 an, wie die Spannungsverstärkung ermittelt werden kann.
- Verallgemeinern Sie mit Begründung wie
- Kurzschlüsse zu berücksichtigen sind,
- Widerstände zu berücksichtigen sind, wenn diese
- mit einer Klemme (“auf einer Seite”) direkt und ausschließlich an einem OPV Eingang liegen,
- mit je einer Klemme direkt an einem OPV Eingang liegen.
- In welchen Schaltungen stellen die Widerstände $R_3$ und $R_4$ einen unbelasteten Spannungsteiler dar?
Um sich den Problemen zu nähern, sollten Sie versuchen die Kenntnisse aus dem invertierenden Verstärker nutzen. Es kann sich anbieten die Schaltungen über Falstad-Circuit oder Tina TI zu simulieren. Als Unterstützung sind in den ersten beiden Schaltungen Tipps unter der Abbildung zu sehen.
Wichtig: Wie immer im Studium sollten Sie versuchen die Kenntnisse aus der Aufgabe zu verallgemeinern.
Aufgabe 3.5.3. R-2R-Leiter
Sie arbeiten in der Firma “HHN Mechatronics & Robotics”, welche für einen Kunden ein Batteriemodell aufbauen soll. Dieses Modell soll eine reale Batterie nachbilden. Dazu soll eine Spannung ausgegeben werden, welche durch ein Softwaremodell der Batterie vorgegeben wird. Es wird also ein Digital-Analog-Wandler (engl. Digital-Analog-Converter, DAC) benötigt.
Sie haben dafür den DAC7741 gefunden. Im Datenblatt sehen Sie auf Seite 12 ein Abbild des internen Aufbaus - diese gleicht der Abbildung rechts. Für eine Fehleranalyse wollen Sie nun diesen Aufbau näher verstehen.
In der Zeichnung rechts steht die aktuelle Schalterstellung für 000b, also alle Schalter $SW_1$ … $SW_3$ sind nach Masse geschalten. Es bietet sich an die Schaltung in Falstad-Circuit zum besseren Verständnis nachzubauen. In diesem Fall bietet es sich an die einzlenen Knotenspannungen $K_1$ … $K_3$ mit zu messen.
- Es soll nun zunächst $SW_3$ = 1, $SW_2$ = 0 und $SW_1$ = 0 gelten - also nur der Schalter $SW_3$ ist auf $U_{logic}$ geschalten.
- Zeichnen Sie dazu das Ersatzschaltbild ohne Schalter.
- Vereinfachen Sie dieses Ersatzschaltbild über einen Ersatzwiderstand.
- Es ergibt sich dabei ein Widerstand, welcher zwischen invertierendem und nicht invertierendem Eingang liegt. Der Operationsverstärker versucht stets soviel Strom das ihm umgebende Widerstandsnetz einzuspeisen, dass sich eine geringe Differenzspannung $U_D$ ergibt. Dies ist auch bei einem (nicht zu kleinen) Widerstand zwischen invertierendem und nicht invertierendem Eingang möglich.
Welche Verstärkung ergibt sich also?
- Es soll nun $SW_3$ = 0, $SW_2$ = 1 und $SW_1$ = 0 gelten - also nur der Schalter $SW_3$ ist auf $U_{logic}$ geschalten.
- Zeichnen Sie auch hier das Ersatzschaltbild ohne Schalter.
- Vereinfachen Sie auch dieses Ersatzschaltbild über Ersatzwiderstände.
- Auch hier gilt die Aussage über den oben genannten Widerstand zwischen invertierendem und nicht invertierendem Eingang. Weiterhin sollte Ihnen die Spannung des Knotens $K_3$ klar sein.
Zeichnen Sie nun ein Ersatzschaltbild der linken Seite, wobei Sie die Spannung am Knotens $K_3$ des idealen Verstärkers annehmen. - Ermitteln Sie nun die Spannung am Knoten $K_2$.
- Diese Spannung am Knoten $K_2$ ist die Eingangsspannung eines invertierende Verstärkers, welcher vom Knoten $K_2$ an nach rechts beginnt. Berechnen Sie nun die Verstärkung des sich so ergebenden Netzes.
- Inzwischen sollte das Konzept verstanden haben. Geben Sie nun an, welcher Eingang/welcher Schalter das LSB angibt.












