Dies ist eine alte Version des Dokuments!
4. Grundschaltungen II
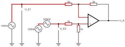
4.1 Umkehraddierer
Aufgabe 4.1.1 Transferaufgabe - Signale und Systeme
Welchen Schwingungsform scheint sich aus der Überlagerung der sinusförmigen Signale zu ergeben, wenn diese jeweils in der Frequenz verdoppelt und in der wirkenden Amplitude halbiert werden? (Ausgangszustand der Simulation rechts)
Welchen Schwingungsform scheint sich zu ergeben, wenn die Spannungsquellen mit $80Hz$ und $160Hz$ entfernt werden?
4.2 Differenzverstärker / Subtrahierer
INA 240 - Stromrichtungsverstärker
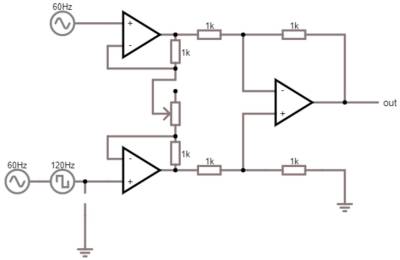
4.3 Instrumentenverstärker
Übung zum Instrumentenverstärker:
- Finden Sie heraus wie der Instrumentenverstärker funktioniert
- Führen Sie dazu den unten angegebenen Falstad Code aus und verändern Sie den veränderlichen Widerstand
- Was passiert, wenn Sie den veränderlichen Widerstand entfernen und die Anschlüsse offen lassen? Welche Schaltung haben nun die OPVs am Eingang?
- Vergleichen Sie folgende Situationen. Was ist festzustellen?
- (1) veränderlicher Widerstand wird durch Widerstand mit 2 kOhm ersetzt
- (2) veränderlicher Widerstand wird am oberen Anschluss durch 1 kOhm gegen Masse und unten durch 1 kOhm gegen Masse ersetzt.
- (3) veränderlicher Widerstand wird am oberen Anschluss durch 1 kOhm gegen eine Spannungsquelle mit 1 V und unten durch 1 kOhm gegen 1 V ersetzt.
- Welche Übertragungsgleichung ergibt sich? $U_A = f(U_2,U_1) = ?$
- Welche Vorteile ergeben sich gegenüber dem Differenzverstärker?
4.4 Strom-Spannungs-Wandler
Rechts sehen Sie das Bild eines Strom-Spannungswandlers. Der Strom-Spannungswandler ändert anhand eines Eingangsstroms seine Ausgangsspannung. Gelegentlich wird diese Schaltung auch Transimpedanzverstärker genannt, da hier der Übertragungswiderstand - also die Transimpedanz - die Verstärkung darstellt. Die Verstärkung war allgemein als $A={ {Ausgabe} \over {Eingabe} }$ definiert. Beim Strom-Spannungswandler ist die Verstärkung definiert als
$$ R = {{U_{out}} \over I_{in}} = - R_1 $$
$R_1$ ist der in der Schaltung verbaute Widerstand. Diese Schaltung kann zum Beispiel für das Auslesen einer Photodiode in spannungsloser Verschaltung genutzt werden (weitere Erklärung).
4.5 Spannungs-Strom-Wandler
Als nächstes betrachten wir den Spannungs-Strom-Wandler. Bei diesem wird ein Ausgabestrom proportional zu einer Eingangsspannung eingestellt.
Hier wird die allgemeine Verstärkung $A={ {Ausgabe} \over {Eingabe} }$ zu
$$ S ={{I_{out}} \over U_{in}} $$
Die Größe $S$ nennt man dabei die Übertragungssteilheit, bzw. der Übertragungsleitwert.
Diese Schaltung kann zum Beispiel genutzt werden, um eine spannungsgeregelte Stromquelle zu erzeugen.
Aufgaben
Aufgabe 4.2.1 Ermittlung des Übertragungsverhalten des Differenzverstärkers
Im Folgenden ist die Übertragungsfunktion des des Differenzverstärkers zu berechnen. Dazu sollen Sie einige Schritte verfolgen.
- Analysieren Sie zunächst die Ausgangsspannung. Rechtsklicken Sie dazu in der Falstad Simulation die Ausgangsspannung $U_A$ und wählen Sie „Im Oszi anzeigen“. Welcher Spannungsverlauf ergibt sich?
- Leiten Sie die die Funktion $U_A = f(U_{E1}, U_{E2})$ mittels Superposition her.
- Zeichnen Sie dazu zunächst jeweils eine Ersatzschaltung.
- Beschreiben Sie kurz die entstandene Schaltung. Welche Verstärkungsschaltung ergibt sich jeweils?
- Berechnen Sie dann die Spannungen $U_A1$ und $U_A2$, sowie daraus $U_A$.
- Ermitteln Sie die Funktion $U_A = f(U_{E1}, U_{E2})$ für die Widerstandswerte der dargestellten Schaltung.
Aufgabe 4.4.1 Übertragungswiderstand des Strom-Spannungswandlers
Leiten Sie für den Strom-Spannungswandler die Verstärkung, also den Übertragungswiderstand her. Nutzen Sie dabei das Vorgehen, welches wir für den bei den anderen Verstärkern verwendet haben.
- Zeichnen Sie eine Schaltung mit den relevanten Spannungen, Ströme, sowie Widerstände und dem OPV
- Was ist gesucht?
- Anzahl der Variablen?
- Anzahl der notwendigen Gleichungen?
- Aufstellen der bekannten Gleichungen
- Herleitung des Übertragungswiderstands
Aufgabe 4.5.1 Übertragungssteilheit des Spannungs-Stromwandler
Leiten Sie auch hier für den Spannungs-Stromwandler die Verstärkung, also die Übertragungssteilheit her. Nutzen Sie dabei wieder das Vorgehen, welches wir für den bei den anderen Verstärkern verwendet haben.
- Zeichnen Sie eine Schaltung mit den relevanten Spannungen, Ströme, sowie Widerstände und dem OPV
- Was ist gesucht?
- Anzahl der Variablen?
- Anzahl der notwendigen Gleichungen?
- Aufstellen der bekannten Gleichungen
- Herleitung der Übertragungssteilheit
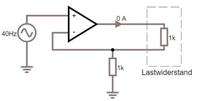
Aufgabe 4.5.2 Erdbezogene Last
Wenn der Spannungs-Stromwandler als Stromquelle genutzt wird, muss dabei darauf geachtet werden, dass die Last keinen Kontakt zu Masse hat.
- Zeichnen Sie den Spannungs-Stromwandler auf mit einer Last, welche einen Kontakt zu Masse hat.
- Warum gilt in diesem Fall die oben hergeleitete Übertragungssteilheit als Verstärkungsfaktor nicht mehr?
- Wird der Ausgabestrom in diesem Fall höher oder niedriger?
Aufgabe 4.6 Metafrage
Zur Vorbereitung der Klausur sollen Sie sich auch mit dem Stoff und möglichen Fragen dazu auseinandersetzen. Entwickeln Sie dazu zwei individuelle Fragen zum bisherigen Stoff, die
- entweder einen Teilaspekt betreffen, den Sie noch nicht verstehen oder
- einen Teilaspekt betreffen, den Sie in der letzten Stunde dazugelernt haben.
Beachten Sie, dass die Fragen vom Schwierigkeitsgrad her so gestellt sein sollen, dass diese auch in der Klausur stehen können. Zu allgemeine Formulierungen („Erklären Sie einen Operationsverstärker“) sind zu vermeiden.
\\Die eingereichten Fragen werde ich Ihnen über ILIAS zurückspielen und in die Klausur einfließen lassen.
Gerne können Sie mir jenseits der 2. Aufgabe auch weitere Fragen schreiben.
Diese sollten Sie dann jedoch separat kennzeichnen.
Weiterführende Literatur
Lernfragen
- Nennen Sie Anwendungen für den Umkehraddierer.
- Erklären Sie die Funktionsweise eines Strom-/Spannungswandlers.
- Nennen Sie 3 Anwendungsbereiche für einen Operationsverstärker.




